《机械安全控制系统安全相关部件第2部分:确认》(GB/T16855.2-2015)【全文附高清无水印PDF+可编辑Word版下载】
标准号:GB/T16855.2-2015
中文标准名称:机械安全控制系统安全相关部件第2部分:确认
英文标准名称:Safety of machinery-Safety-related parts of control systems-Part 2: Validation
中国标准分类号(CCS):J09
国际标准分类号(ICS):13.110
发布日期:2015-12-10
实施日期:2016-07-01
主管部门:国家标准化管理委员会
归口部门:国家标准化管理委员会
发布单位:中华人民共和国国家质量监督检验检疫总局、中国国家标准化管理委员会
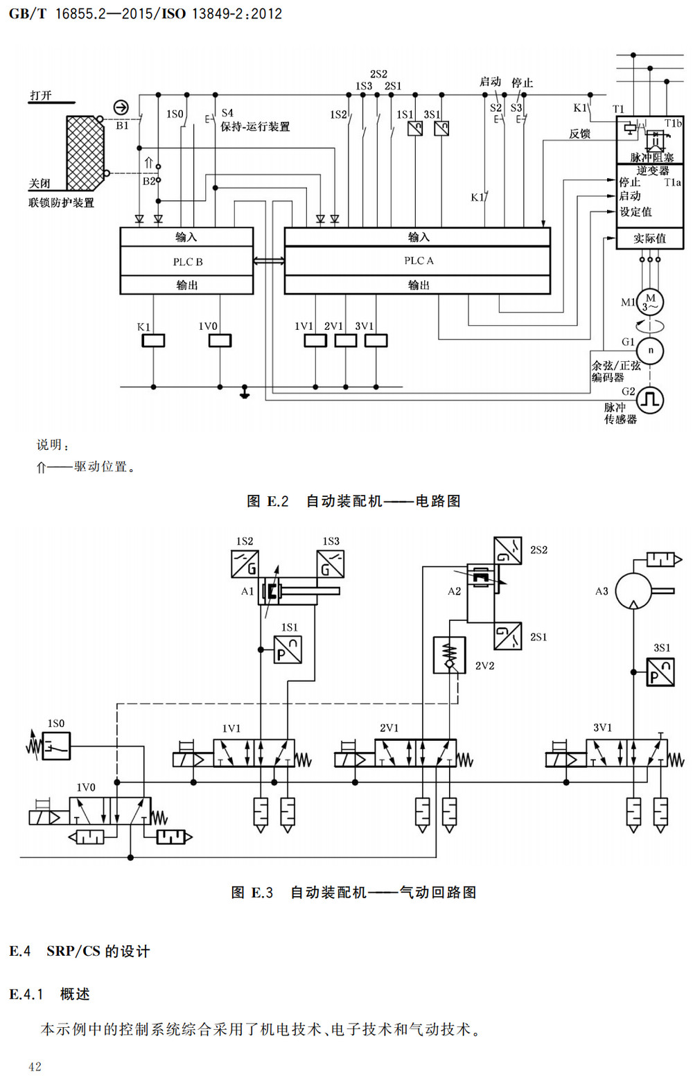
简介:本部分规定了通过分析和测试确认以下参数时需遵循的程序和条件:——规定的安全功能;——按照GB/T16855.1设计的控制系统安全相关部件(SRP/CS)达到的类别;——按照GB/T16855.1设计的控制系统安全相关部件(SRP/CS)达到的性能等级。注:可编程电子系统(包括嵌入式软件)的附加要求在GB/T16855.1—2008的4.6和GB/T20438中给出。
相关标准单册下载(名称相近下载前请核对之):
1、《机械安全控制系统安全相关部件第1部分:设计通则》(GB/T16855.1-2018)【全文附高清PDF+Word版下载】
2、《机械安全控制系统安全相关部件第2部分:确认》(GB/T16855.2-2015)【全文附高清无水印PDF+Word版下载】
3、《机械电气安全安全相关电气、电子和可编程电子控制系统的功能安全》(GB28526-2012)【全文附高清PDF+Word版下载】
4、《机械安全设计通则风险评估与风险减小》(GB/T15706-2012)【全文附高清PDF+Word版下载】
5、《机械安全应用GB/T16855.1和GB28526设计安全相关控制系统的指南》(GB/T30175-2013)【全文附高清PDF+Word版下载】
6、《机械电气安全GB28526和GB/T16855.1用于机械安全相关控制系统设计的应用指南》(GB/T34136-2017)【全文附高清PDF+Word版下载】
7、《机械安全GB/T16855.1与GB/T15706的关系》(GB/T35081-2018)【全文附高清PDF+Word版下载】
8、《机械安全B类标准和C类标准与GB/T15706的关系》(GB/T35080-2018)【全文附高清PDF+Word版下载】
PDF质量:高清晰PDF无水印版+Word版【内容可复制、可编辑、可搜索、可打印】(官方正式版、完整版,共计:66P(页),PDF文档大小:2.89MB)
请注意:本资源压缩包内共含3个版本:超高清无水印PDF版、高清PDF扫描版、可编辑Word版,详见下图:



温馨提示:(本站无需注册或充值,扫码支付后即可获取资源下载链接)
本次捐赠数额为:10.00 元 【点击此处扫码支付】
