7*24小时服务热线:
18003716036
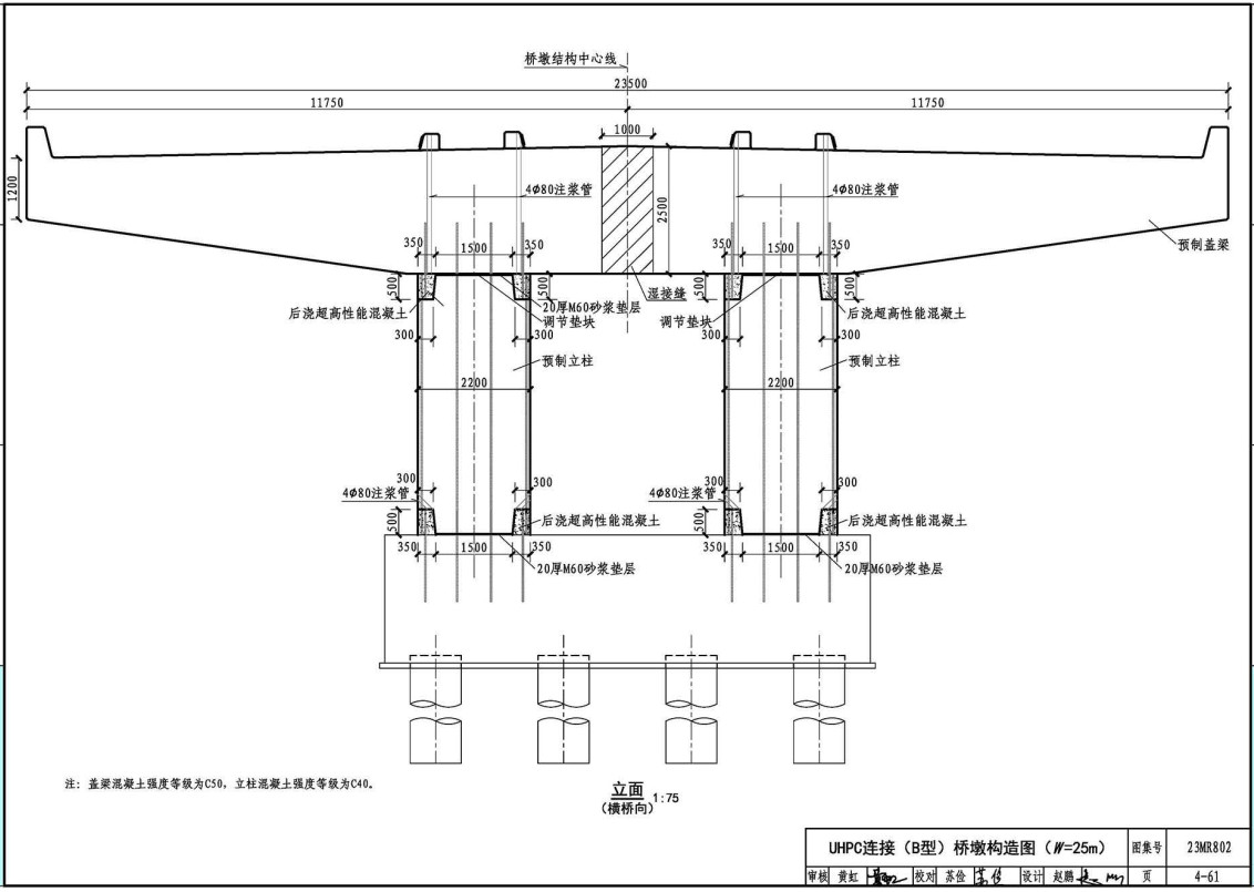
《装配式桥梁设计与施工-小箱梁及桥墩》(图集编号:23MR802)【全文附高清无水印PDF版下载】
图集编号:23MR802
图集名称:装配式桥梁设计与施工-小箱梁及桥墩
资源类型:国标图集
发布日期:2024-12-01
实施日期:2024-12-01
简介:本图集适用于新建、改建城市桥梁的装配式预应力混凝土小箱梁及桥墩,适用荷载等级城-A级、城-B级。编制内容:装配式预应力混凝土小箱梁;采用灌浆套筒、灌浆波纹管或超高性能混凝土连接的装配式桥墩。图纸内容:内力与应力验算结果;总体横断面布置图;小箱梁横断面布置图、构造图、钢筋图、支座预埋件图等;套筒连接桥墩、波纹钢管连接桥墩及超高性能混凝土连接的装配式桥墩的构造图、钢筋图、吊点示意图、拼装流程图。本图集可供广大桥梁设计人员、施工人员、监理人员等参考借鉴。
PDF质量:高清晰无水印PDF版(官方正式版、完整版、原版扫描,共计:338P(页),PDF文档大小:71.7MB)



本次捐赠数额为:10.00 元 【点击此处扫码支付】