7*24小时服务热线:
18003716036
《防腐型采光通风天窗(五)》(图集编号:24CJ87-5)【全文附高清无水印PDF版下载】
图集编号:24CJ87-5
图集名称:防腐型采光通风天窗(五)
资源类型:国标图集
发布日期:2024-05-01
实施日期:2024-05-01
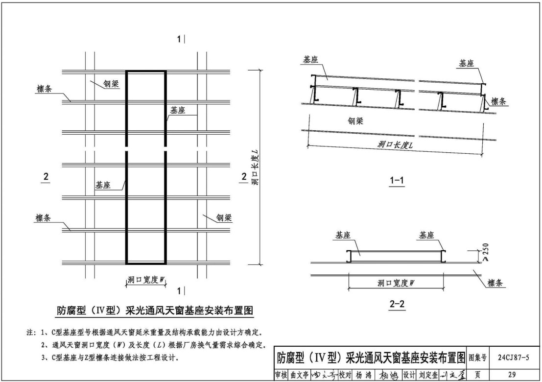
简介:本图集是根据重庆艾珀耐特高分子材料有限公司、成都艾珀耐特复合材料有限公司生产的系列防腐型采光通风天窗编制的,适用于新建、改建和扩建的具有强腐蚀性气液排放的工业厂房及滨海建、构筑物。本图集介绍了防腐型采光通风天窗应用的4种类型产品的特点、适用范围,给出了不同类型产品“抗腐蚀介质、通风效率、适用环境温度、抗风压、抗雪荷载”的选用依据和构造做法,供设计、施工、验收人员参考使用。
PDF质量:高清晰无水印PDF版(官方正式版、完整版、原版扫描,共计:39P(页),PDF文档大小:7.3MB)



本次捐赠数额为:5.00 元 【点击此处扫码支付】