7*24小时服务热线:
18003716036
《制冷供热机房装配式设计与安装》(图集编号:23R203)【全文附高清无水印PDF版下载】
图集编号:23R203
图集名称:制冷供热机房装配式设计与安装
资源类型:国标图集
发布日期:2024-03-01
实施日期:2024-03-01
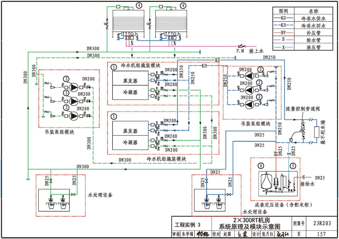
简介:本图集适用于采用电驱动水冷式冷水机组供冷和采用换热机组供热的新建、改建和扩建的制冷供热机房水系统装配式设计与安装、热泵、蓄能型等冷热源机房当与本图集使用条件一致时可参相关内容。本图集不适用于供热锅炉房。 图集围绕制冷供热机房的装配式设计与安装提出了装配式设计的技术要点,并在安装技术要点中强调了装配式安装的实施步骤,列举了机房中常见模块的组合形式。为便于设计人员使用,图集分门别类地编制了各种不同功能的模块、整装式机房、机房装配式建造与安装、机房典型设计示例以及附录等内容。
PDF质量:高清晰无水印PDF版(官方正式版、完整版、原版扫描,共计:207P(页),PDF文档大小:48.8MB)



本次捐赠数额为:10.00 元 【点击此处扫码支付】