7*24小时服务热线:
18003716036
《路桥梁钢箱梁、钢桁架和钢塔制造与安装技术指南》(T/CHTS10023-2020)【全文附高清PDF版下载】
标准编号:T/CHTS10023-2020
标准名称:路桥梁钢箱梁、钢桁架和钢塔制造与安装技术指南
英文名称:Technical Guideline for Fabrication and Installation of Steel Box Girder Steel Truss and Steel Tower for Highway Bridge
标准类型:团体标准(TB)
发布日期:2020-07-13 实施日期:2020-07-31
标准格式:
PDF版 PDF文档是否有水印:有官方水印
PDF文档大小:27.4 M PDF文档页数:45 P(页)
发布团体:中国公路学会
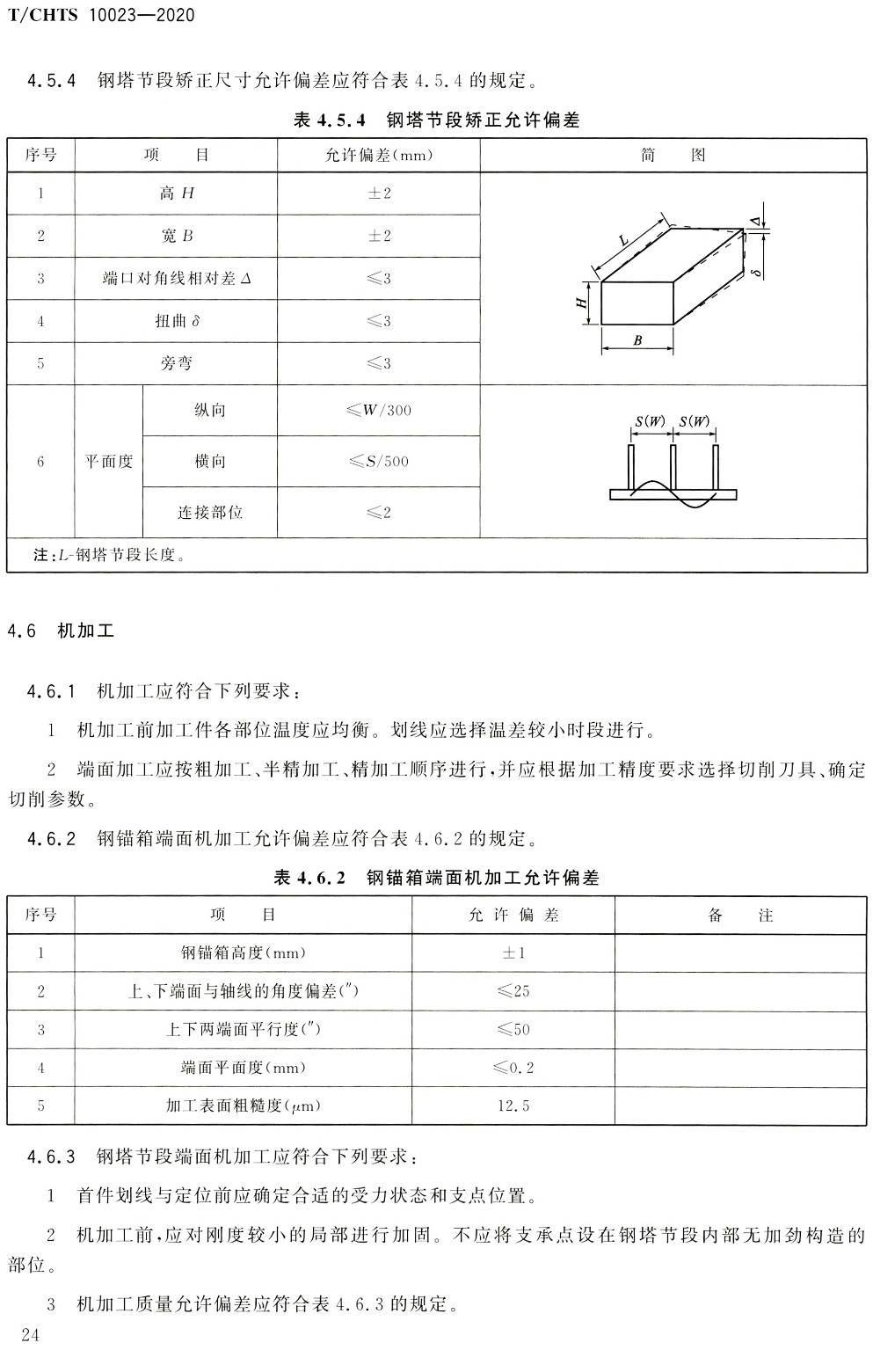
标准简介:为提高公路桥梁钢箱梁、钢析梁和钢塔制造与安装技术水平,保证施工质量,特制定本指南。本指南适用于公路桥梁钢箱梁、钢析梁和钢塔制造与安装施工。公路桥梁钢箱梁、钢析梁和钢塔制造与安装工程施工应积极推广使用新技术、新工艺、新材料和新设备。


本次捐赠数额为:10 元 【点击此处微信扫码支付】