《并网风电场继电保护配置及整定技术规范》(DL/T1631-2016)【全文附高清无水印PDF+可编辑Word版下载】
标准号:DL/T1631-2016
中文名称:并网风电场继电保护配置及整定技术规范
英文名称:Technical specification for relay protection configuration and setting of grid connected wind farms
发布日期:2016-12-05
实施日期: 2017-05-01
中国标准分类: K45(继电保护及自动装置)
国际标准分类: 29.240(输电网和配电网)
归口单位: 中国电力企业联合会
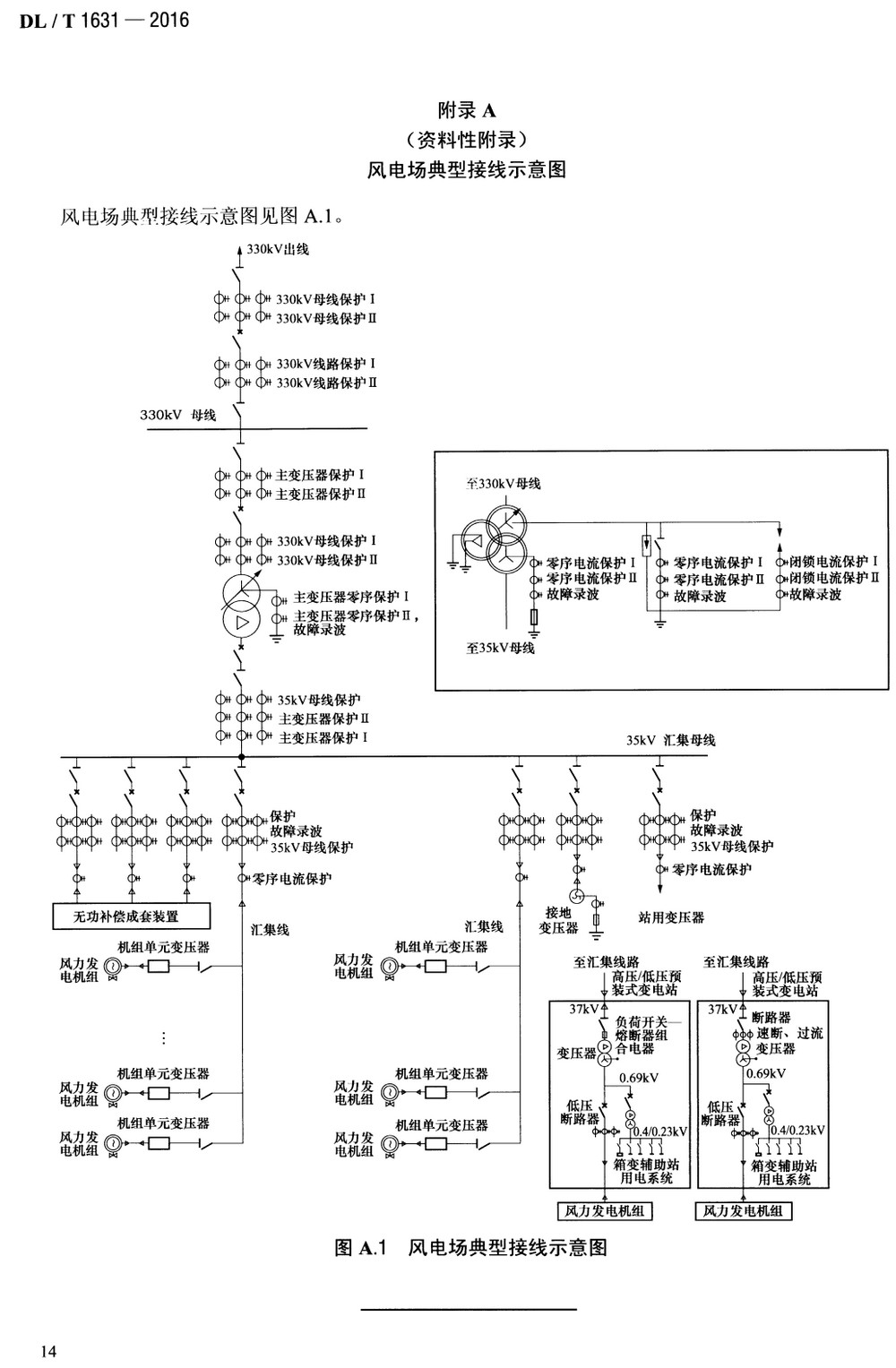
简介:本标准规定了并网风电场风电机组、机组单元变压器、主升压变压器、站用变压器、接地变压器、无功补偿设备、汇集线路、汇集母线、汇集母线分段断路器等电力设备继电保护的配置及整定原则。本标准适用于通过110kV及以上电压等级送出线路与电网连接的风电场,通过其他电压等级送出的风电场可参照执行。并网风电场继电保护相关的科研、设计、制造、施工、调度和运行等单位及部门均应遵守本标准。
相关标准单册下载导航:
1、《电力装置的继电保护和自 动装置设计规范》(GB/T50062-2008)【全文附高清无水印PDF+可编辑Word版下载】
2、《继电保护及二次回路安 装及验收规范》(GB/T50976-2014)【全文附高清无水印PDF+DOC/Word版下载】
3、《继电保护和安全自动装 置运行管理规程》(DL/T587-2016)【全文附高清无水印PDF+可编辑Word版下载】
4、《1000kV系统继电保护装置及安 全自动装置检测技术规范》(GB/T31237-2014)【全文附高清PDF+Word版下载】
5、《发电厂继电保护及安全自 动装置技术监督导则》(DL/T2253-2021)【全文附高清无水印PDF+可编辑Word版下载】
6、《220kV~750kV电网继电保护和安全自 动装置配置技术规范》(GB/T34122-2017)【全文附高清PDF+Word版下载】
7、《继电保护和安全自 动装置技术规程》(GB/T14285-2023)【全文附高清PDF+Word版下载】
8、《继电保护和安全自 动装置通用技术条件》(DL/478-2013)【全文附高清无水印PDF+可编辑Word版下载】
9、《继电保护和安全自 动装置基本试验方法》(GB/T7261-2016)【全文附高清PDF+Word版下载】
10、《继电保护及安全自 动装置在线监视与分析技术规范》(GB/T40599-2021)【全文附高清无水印PDF+可编辑Word版下载】
11、《继电保护和安全自 动装置信息安全技术导则》(NB/T10680-2021)【全文附高清PDF+Word版下载】
12、《智能变电站继电保 护配置工具技术规范》(GB/T34121-2017)【全文附高清PDF+Word版下载】/a>
13、《牵引站供电线路的继 电保护配置及整定计算原则》(GB/T38435-2019)【全文附高清无水印PDF+可编辑Word版下载】
14、《电力系统继电保护及安 全自动装置运行评价规程》(DL/T623-2010)【全文附高清无水印PDF+可编辑Word版下载】
15、《1000kV继电保护及电网安 全自动装置检验规程》(DL/T1237-2013)【全文附高清无水印PDF+可编辑Word版下载】
16、《超高压可控并联电抗器继电 保护配置及整定技术规范》(DL/T2009-2019)【全文附高清无水印PDF+可编辑Word版下载】
17、《高压无功补偿装置继电保 护配置及整定技术规范》(DL/T2010-2019)【全文附高清PDF+Word版下载】
18、《并网风电场继电保护 配置及整定技术规范》(DL/T1631-2016)【全文附高清无水印PDF+可编辑Word版下载】
19、《分布式电源并网继电 保护技术规范》(GB/T33982-2017)【全文附高清无水印PDF+可编辑Word版下载】
20、《继电保护和电网安全 自动装置检验规程》(DL/T995-2016)【全文附高清无水印PDF+可编辑Word版下载】
21、《配电继电保 护装置检验规程》(DL/T2382-2021)【全文附高清无水印PDF+可编辑Word版下载】
22、《1000kV继电保 护及电网安全自动装置运行管理规程》(DL/T1239-2013)【全文附高清无水印PDF+可编辑Word版下载】
23、《就地化继电保 护装置运行管理规程》(DL/T2416-2021)【全文附高清无水印PDF+可编辑Word版下载】
24、《220kV~750kV电网继电保 护装置运行整定规程》(DL/T559-2018)【全文附高清无水印PDF+可编辑Word版下载】
25、《3kV~110kV电网继电保 护装置运行整定规程》(DL/T584-2017)【全文附高清无水印PDF+可编辑Word版下载】
26、《配电网规划设 计技术导则》(DL/T5729-2016)【全文附高清无水印PDF+可编辑Word版下载】
27、《电力系统安 全稳定导则》(GB38755-2019)【全文附高清无水印PDF+可编辑Word版下载】
PDF质量:高清晰PDF无水印版+Word版【内容可复制、可编辑、可搜索、可打印】(官方正式版、完整版,共计:18P(页),PDF文档大小:1.766MB)
请注意:本资源压缩包内共含2个版本:高清无水印PDF版、可编辑Word版,详见下图:




温馨提示:(本站无需注册或充值,扫码支付后即可获取资源下载链接)
本次捐赠数额为:8.00 元 【点击此处扫码支付】
