7*24小时服务热线:
18003716036
《中国造船质量标准》(GB/T34000-2016)【全文附高清无水印PDF+可编辑Word版下载】
标准号:GB/T34000-2016
中文标准名称:中国造船质量标准
英文标准名称:China shipbuilding quality standard
中国标准分类号(CCS) U06
国际标准分类号(ICS) 47.020
发布日期 2016-12-22
实施日期 2017-01-01
主管部门 中国船舶工业集团公司
归口单位 全国海洋船标准化技术委员会
发布单位 中华人民共和国国家质量监督检验检疫总局、中国国家标准化管理委员会
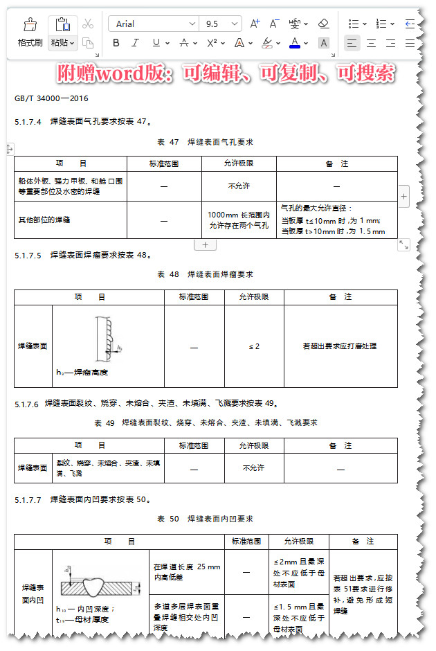
简介:本标准规定了船舶建造过程中的生产过程质量控制、交验项目以及建造精度要求。本标准适用于500总吨及以上钢质机动海洋船舶的建造、交验和交船,其他船舶的建造 、交验和交船可参照使用。
PDF质量:高清晰PDF无水印版+Word版【内容可复制、可编辑、可搜索、可打印】(官方正式版、完整版,共计:108P(页),PDF文档大小:1.581MB)
请注意:本资源压缩包内共含2个版本:高清无水印PDF版、可编辑Word版,详见下图:




本次捐赠数额为:10.00 元 【点击此处扫码支付】